HUAWIN
CNC INTERNAL SPLINE GRINDING MACHINE IG20
CNC INTERNAL SPLINE GRINDING MACHINE IG20
CNC INTERNAL SPLINE GRINDING MACHINE IG20
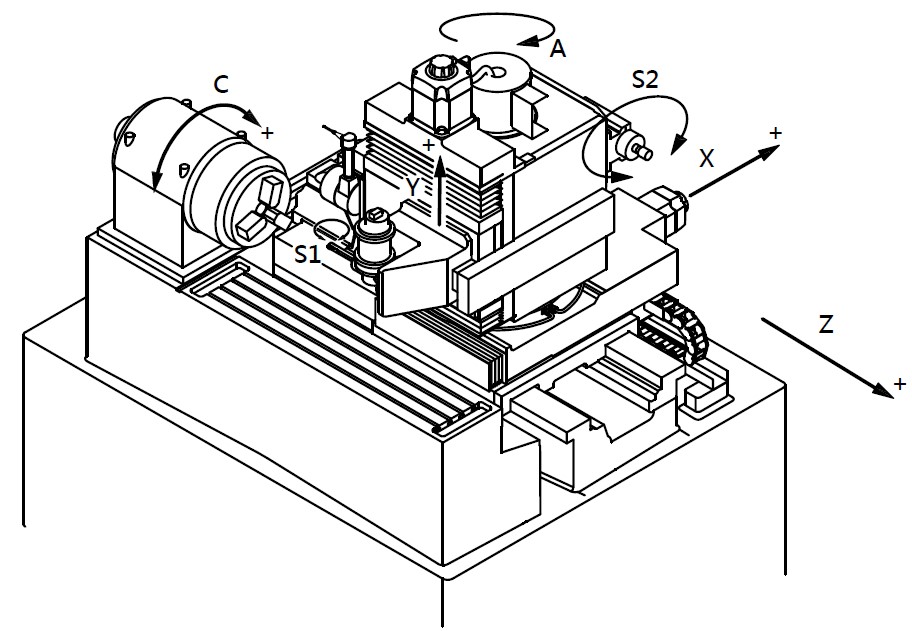
■ CBN(Diamond) grinding wheel and High-accuracy spline.
■ CBN grinding wheel with quick-change arbors fit different size splines.
■ Renishaw probe is applied to position workpiece automatically.
■ Internal grinding spindle (S2) is available to finish grinding chuck jaws.
■ DD motor of C-axis with zero backlash.
■ CBN grinding wheel with quick-change arbors fit different size splines.
■ Renishaw probe is applied to position workpiece automatically.
■ Internal grinding spindle (S2) is available to finish grinding chuck jaws.
■ DD motor of C-axis with zero backlash.
| Item | Specification |
|---|---|
| Workpiece | |
| Min.spline inner diameter | Φ20 mm |
| Min.spline outer diameter | Φ25 mm |
| spline width range | 5~15 mm |
| Max. spline length | 100 mm |
| Max. swing diameter | 200 mm |
| Max. spline depth | 5 mm |
| Number of splines | 1~10 |
| Travel | |
| X-axis travel | 150 mm |
| Y-axis travel | 100 mm |
| Z-axis travel | 600 mm |
| C-axis torque | 480 N.m |
| Chuck | Φ250 pneumatic 3-jaw chuck |
| Spindel | |
| Power | 0.3 Kw |
| Max. speed | 16500 rpm |
| Others | |
| Power requirement | < 20 kVA |
| Air consumption | 30 L/min |
| Air pressure | 0.5 MPa |
| Machine dimensions (LxWxH) | 2250 X 1700 X2200 mm |
| Machine weight | 4500 Kg |

English
繁體中文
Japan
France
Germany
Italy